Frigidaire Range CPES389CC1 Timer Repair

What is the timer/clock part number for the Frigidaire CPES389CC1 Range?

Timer part number 318183603 for Frigidaire CPES389CC1

The CPES389CC1 Range uses timer part number 318183603.

Do you have a failed Frigidaire CPES389CC1 control panel? Click here:

Request Appliance Timer Service

We can repair or replace your faulty Frigidaire CPES389CC1 timer.

CPES389CC1 are also sometimes referred to using these Alternative Names/Model numbers

Electrolux CPES389CC1 Range, CPES389DC4, CPES389DC5

CPES389CC1 Schematic and Wiring Diagrams

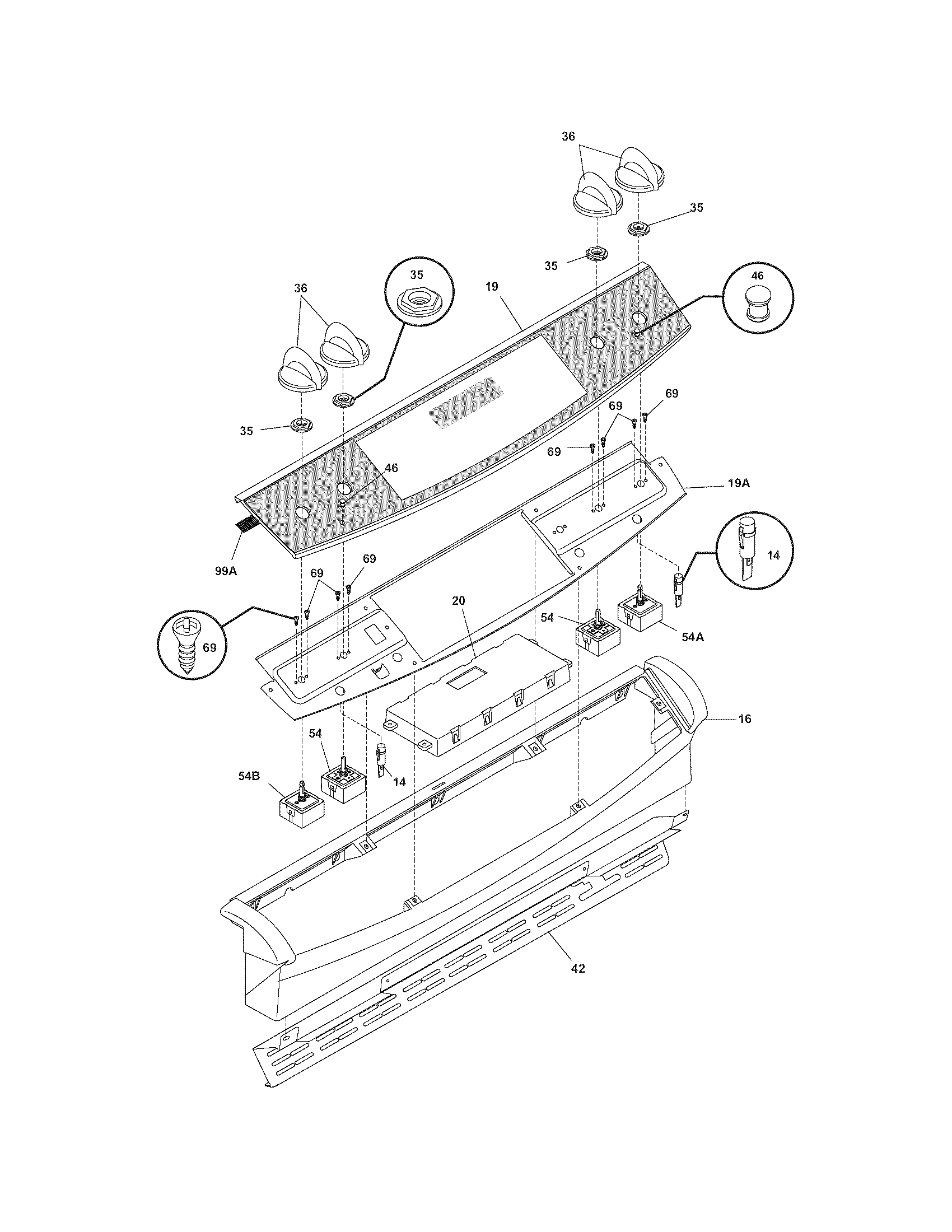
Backguard Parts diagram
CPES389CC1 Range Backguard Parts diagram
Body Parts diagram
CPES389CC1 Range Body Parts diagram
Top/drawer Parts diagram
CPES389CC1 Range Top/drawer Parts diagram
Door Parts diagram
CPES389CC1 Range Door Parts diagram
Wiring diagram Parts diagram
CPES389CC1 Range Wiring diagram Parts diagram

Recent Service Requests

CityProblem DescriptionResolution
ASCOT CORNER, QuebecWhen using Temp selctor of oven, works for a few minutes then, it pops up , code on display : PfRepaired
Ascot-Corner, QuebecNewRepaired
Saturna Island, British ColumbiaThree buttons on the control pad timer do not work.
Buttons in question are the: clear
start
number "0"
These buttons control the oven
Repaired
Saint-Hycinthe, QuebecCan't select the auto-clean mode, can't change the clock and lock the oven.Awaiting receipt of timer
Montréal, QuebecNoise like a clock and nothing display on the screen .Beyond Repair
Oakville, On, OntarioWhen I spoke with Howard Simons and described what had happened he indicated the timer was not repairable but that you have new timers that would work in my oven for the same price as a reconditioned unit. He told me the majority of people who purchase this timer have difficulty installing it and suggested I send you the original unit and you would fit the new one and send it back to me. Don't quite understand this but hope the new one will fit.I have not asked for a warranty extension, but if it works when I receive it I will certainly be looking to extend it.Repaired
Hamilton, OntarioTimer seems to be working but the oven is not responding. On Christmas Day when I tried to bake the timer popped and a small amount of smoke came out. Main breaker to the house tripped along with the breaker to the oven.Replaced with new in-stock timer
Ste. Anne de Bellevue, QuébecReplaced with new in-stock timer
Gatineau, QuébecBroil element not working. Visible burnt traces on PCB.Awaiting receipt of timer
Toronto, OntarioHi. I emailed you yesterday (photo was attached) and you advised that my timer was not repairable. I would like to purchase a reconditioned (if available), or, if that's not possible, a new timer. Thanks.Replaced with new in-stock timer
Hamilton, OntarioHeard a pop sound and then the oven stopped workingReplaced with new in-stock timer
TORONTO, OntarioClock/timer shows correct time and seems to function properly. Stove top works fine. Heating element in oven does not turn on. After one service call, we know that the heating element is fine, but it's the electronics (clock/timer/etc) that is no longer working properly.Awaiting receipt of timer
Cambridge, OntarioSpoke to Howard today. On a waiting list for one of these units.Replaced with reconditioned timer
Ile bizard, Québec1- Bake and broil oven elements do not heat up,
2- Electronic comtrols are intermitent, pressing "1" will show "3" on display,
3- f1 error appears with constant beep, it will clear but will come back later.
Replaced with reconditioned timer
Ilderton, Ontario1. It no longer keeps time correctly. Clock runs faster than regular time..(by about 20 minuites/hour)
2. Cannot turn on oven intermittently.. once you press bake and enter a time, then press start it errors, displays garbage or a completely different temperature .. once out of several tries it will finally work...
3. no longer beeps when pressing buttons(checked that silent mode is turned off)
Replaced with new in-stock timer
Ilderton, OntarioAs per our phone conversation I would like to request a rebuilt unit if you get one in stock
1. It no longer keeps time correctly. Clock runs faster than regular time..(by about 20 minuites/hour) 2. Cannot turn on oven intermittently.. once you press bake and enter a time, then press start it errors, displays garbage or a completely different temperature .. once out of several tries it will finally work... 3. no longer beeps when pressing buttons(checked that silent mode is turned off)
Replaced with new in-stock timer

Common problems for Frigidaire Range CPES389CC1 Timer Repair

Are you encountering a similar problem as them? Contact us now and we will try to help you fix your CPES389CC1 timer-related problem.
I have a Frigidaire range Model # XXXXX Serial # XXXXX The cook top part and all the indicator are still working on it but the 2 elements inside the oven are not working. Is there a fuses that would be burn or something. Thanks
Loud pop when I was baking with the oven on Convection bake I have a Frigidaire Professional Series range. The model number is CPES389CC1. It is about 6 years old. After the loud popping sound the control panel does not work (like it does not have power). The oven does have power though because the top burners still work.
We have a Frigidaire slide in ceramic range model CPES389CC1 and I just heard a loud pop and then the power went off. It tripped the circuit breaker for the range and the main circuit breaker for the whole house as well. the elements work but the display only reads only half of the PF for power failure and half of the clock and it keeps blinking and none of the controls work.