Frigidaire Range CPES389AC1 Timer Repair

What is the timer/clock part number for the Frigidaire CPES389AC1 Range?

Timer part number ES-400 for Frigidaire CPES389AC1

The CPES389AC1 Range uses timer part number ES-400.

Do you have a failed Frigidaire CPES389AC1 control panel? Click here:

Request Appliance Timer Service

We can repair or replace your faulty Frigidaire CPES389AC1 timer.

CPES389AC1 are also sometimes referred to using these Alternative Names/Model numbers

Electrolux CPES389AC1 Range, CPES389DC4, CPES389DC5

CPES389AC1 Schematic and Wiring Diagrams

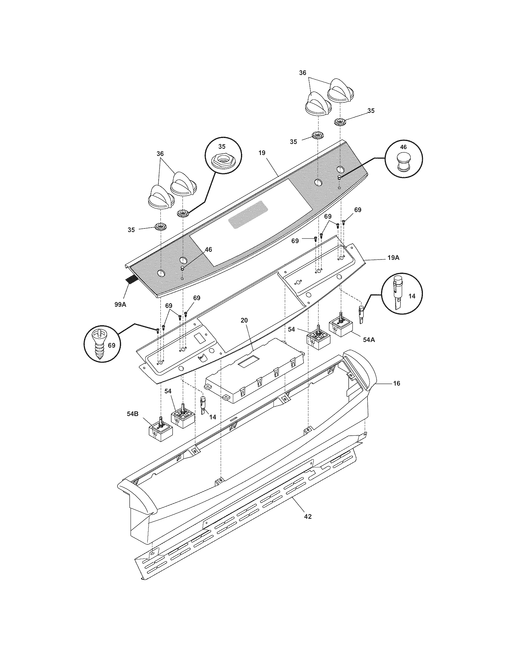
Backguard Parts diagram
CPES389AC1 Range Backguard Parts diagram
Body Parts diagram
CPES389AC1 Range Body Parts diagram
Top/drawer Parts diagram
CPES389AC1 Range Top/drawer Parts diagram
Door Parts diagram
CPES389AC1 Range Door Parts diagram
Wiring diagram Parts diagram
CPES389AC1 Range Wiring diagram Parts diagram

Recent Service Requests

CityProblem DescriptionResolution
Calgary, AlbertaPeriodic F1 Code and beep. Reset by Cancel or power off then back onRepaired
Vancouver, British ColumbiaNot working at allRepaired
London, OntarioPrevious timer made a popping noise and then smoke was visible.Awaiting receipt of timer
Cambridge, OntarioEverything on stove functions. The timer functions but does not turn on element for the oven. Fans turn on etc. Elements have been tested.Repaired
toronto, OntarioOven elements will not heat upAwaiting receipt of timer
Montreal, QuébecThe oven does not work. Elements were tested and OK.Awaiting receipt of timer
Montreal, QuébecThe oven does not work. Elements were tested and OK.Awaiting receipt of timer
Bromont, QuébecNo current on the timer, nothing work on itRepaired
Stittsville, OntarioBake & Broil elements do not work.Repaired
Bristol, QuébecOVEN DONT WORKAwaiting receipt of timer
Stittsville, OntarioBake & Broil elements do not work.Repaired
Ottawa, OntarioHoward sad timer can be replacedReplaced with reconditioned timer
Nepean, OntarioSelect any oven mode, may preheat briefly but then F3 error. Once code is thrown, clear and set another oven mode, F3 follows almost immediately.

Temp probe replaced, resistance measured at EOC plug 1087 ohms.
As per Howards suggestion replaced temp probe with 1100 ohm resistor to rule out probe or wiring harness. Unfortunately when I went to button things up with the resistor in place the touch pad controls are not functioning. Tried to re-seat the ribbon connection but no go. My patience is up ;). Please call if further background required.

Thanks in advance for your help. Appreciate your assistance.
Repaired
Stoney Creek, OntarioOven function no longer works.

Elements, Timer, Clock etc. appear fine.
Repaired

Common problems for Frigidaire Range CPES389AC1 Timer Repair

Are you encountering a similar problem as them? Contact us now and we will try to help you fix your CPES389AC1 timer-related problem.
Hello, I own a Frigidaire electric oven model no. CPES389AC1. It's 7 yrs old. A few days ago, the oven (both) elements stopped working, but the convection fan still works, and everything else still works (range top, clock, warmer drawer, etc.). The technician came and claims that the 'mother board/computer' needs to be changed, but I have trouble believing that diagnosis since the computer works fine, and even tries to get the elements to work.(the bottom element graphic goes on; then after the top one goes on, each with a clic, as if the computer is trying to get some heat going in there.) (No error msg was ever seen!) Should I believe his diagnosis? Should I bother going ahead with the costly replacement and repair?(He seemed to have trouble just programing the computer to get the range on!).Bue apparently is a certified tech that came from a co. recommended by the dealer. Thank you Chantal
I have a Electrolux range model cges387cs1 . It had a fault code F1. I replaced the clock with a new one. All lights, fans and controls now work but none of the elements. Please advise
My Frigidaire oven, model CPES389AC1, tripped the breaker the other day. After resetting the breaker, all the range top burners work, the display on the electronic control panel works and the convection fan works but none of the oven elements heat up. Any suggestions to what the problem is? Thank you.