Frigidaire Wall Oven CPEB30S8CC2 Timer Repair

What is the timer/clock part number for the Frigidaire CPEB30S8CC2 Wall Oven?

Timer part number 318010701 for Frigidaire CPEB30S8CC2

The CPEB30S8CC2 Wall Oven uses timer part number 318010701.

Do you have a failed Frigidaire CPEB30S8CC2 control panel? Click here:

Request Appliance Timer Service

We can repair or replace your faulty Frigidaire CPEB30S8CC2 timer.

CPEB30S8CC2 are also sometimes referred to using these Alternative Names/Model numbers

Electrolux CPEB30S8CC2 Wall Oven, CPEB30S9FC3, CPEB30S9DC2, CPEB30S9FC4, CPEB30S9FC2, CPEB30S9FC7, CPEB30S9FC1

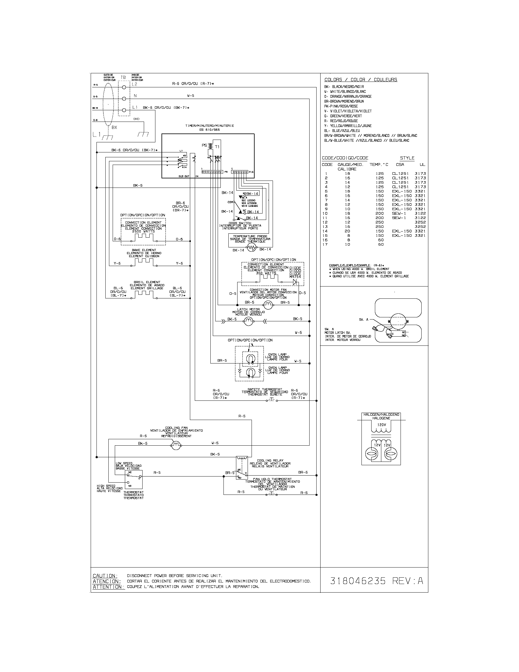
CPEB30S8CC2 Schematic and Wiring Diagrams

Control panel Parts diagram
CPEB30S8CC2 Wall Oven Control panel Parts diagram
Body Parts diagram
CPEB30S8CC2 Wall Oven Body Parts diagram
Door Parts diagram
CPEB30S8CC2 Wall Oven Door Parts diagram
Wiring diagram Parts diagram
CPEB30S8CC2 Wall Oven Wiring diagram Parts diagram

Recent Service Requests

CityProblem DescriptionResolution
Winnipeg, ManitobaThe timer screen is not workingBeyond Repair
Calgary, AlbertaNo work of heating all.
convection fen was work.
Awaiting receipt of timer
Calgary, AlbertaNo work of heating all.
convection fen was work.
Awaiting receipt of timer
Calgary, AlbertaBake funtion kicks out mid way if oven openedAwaiting receipt of timer
Surrey, British ColumbiaConvection bake and bake feature not working on wall oven unit. Broil feature still working.Repaired
Essex, OntarioMy temperature setting buttons do mot workAwaiting receipt of timer
montreal, QuebecNot working on bake , broil. When an action is selecteted, example BROIL, the demand click and the broil writing is light but after 5 secondes the BROIL writing is off, no heat...Repaired
Montreal, QuebecNo Bake, no broil.
When we order a fonction, for example Bake, a click is heard with the writen action Bake.
Then 5 second later the written action Bake is off and we have no bake, no heat.
Repaired
Surrey, British ColumbiaWall oven bake and convection bake cycles do not work (oven only heat up to 100-105 temperatures.

Broil cycle does work.

Technician has ruled out all other possibilities, but the timer. Timer model is no longer being supplied by manufacturer.
Awaiting receipt of timer
Calgary, AlbertaThe oven will not heat up. Had a local repair tech take a look at it and he said it is the controller/timer. The elements checked out OK.Repaired
High River, AlbertaI replaced the bake element and it still does not heat. Talked to Howard yesterday and he assumes it is the clock/timer/EOC.Repaired
Kelowna, British ColumbiaNo power to lower elementRepaired
Port Hope, OntarioAfter problem-free use, oven would not preheat. Bottom element not functioning though top one and convection element were when tested by local technician. He diagnosed a Clock/Timer failure. Advised replacement but no replacement part available. Prefer to repair rather than scrap otherwise perfectly operable oven.Awaiting receipt of timer
Quispamsis, New BrunswickNo display. No response.
Oven light works.
Beyond Repair
Port Mouton, Nova ScotiaBake/Convection not working. Broil Working.
No 240V on BA relay. Changed out relay.
Now getting F3
about 1200 ohms on sensor
figure it's the EOC
Repaired
Mount Brydges, Ontariono working only on broilRepaired
Bright, OntarioLower bake element does not heatRepaired
Calgary, AlbertaBroil does not work.
Convection / Bake still work.
Have not tried clean cycle since broil stopped working.
Repaired
SAULT Ste. MARIE, Ontarioneed new unitBeyond Repair
Ottawa, OntarioOven does not heat up, broil or bake or convention. I replaced thermal fuse and replace three relays beside timer display circuit board.

As well oven light does not work when pressed however oven light works when door is opened.
Awaiting receipt of timer

Common problems for Frigidaire Wall Oven CPEB30S8CC2 Timer Repair

Are you encountering a similar problem as them? Contact us now and we will try to help you fix your CPEB30S8CC2 timer-related problem.
Hi I have a frigidaire wal oven model# XXXXX the bottob element does not work if I pluge it in to the upper element it works. I am geting 120v on one lead to the bottom element the lead that goes to a relay right beside does not get any power
I HAVE A FRIGIDAIRE WALL OVEN 6YRS OLD BOTTOM ELEMENT DOES NOT SEEM TO WORK.I DID A CON. TEST ON THE ELEMENT CHECKED OK.THE XXXXX XXXXXGHTS ON THE DISPLAY FOR THE TEMP.DOES NOT DISPLAY PROPERLY.IS IT THE WHOLE clock MECH?ITS $400.00.IDEAS.