Thermador Combination Oven CMT21 Timer Repair

What is the timer/clock part number for the Thermador CMT21 Combination Oven?

Timer part number 14-29-155 for Thermador CMT21

The CMT21 Combination Oven uses timer part number 14-29-155.

Do you have a failed Thermador CMT21 control panel? Click here:

Request Appliance Timer Service

We can repair or replace your faulty Thermador CMT21 timer.

CMT21 are also sometimes referred to using these Alternative Names/Model numbers

Bosch CMT21 Combination Oven

CMT21 Schematic and Wiring Diagrams

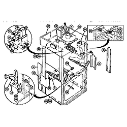
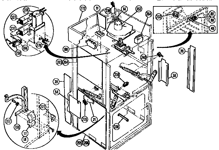
Body and accessory Parts diagram
CMT21 Combination Oven Body and accessory Parts diagram
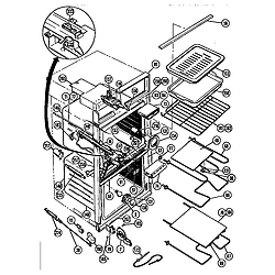
Switches and additional Parts diagram
CMT21 Combination Oven Switches and additional Parts diagram
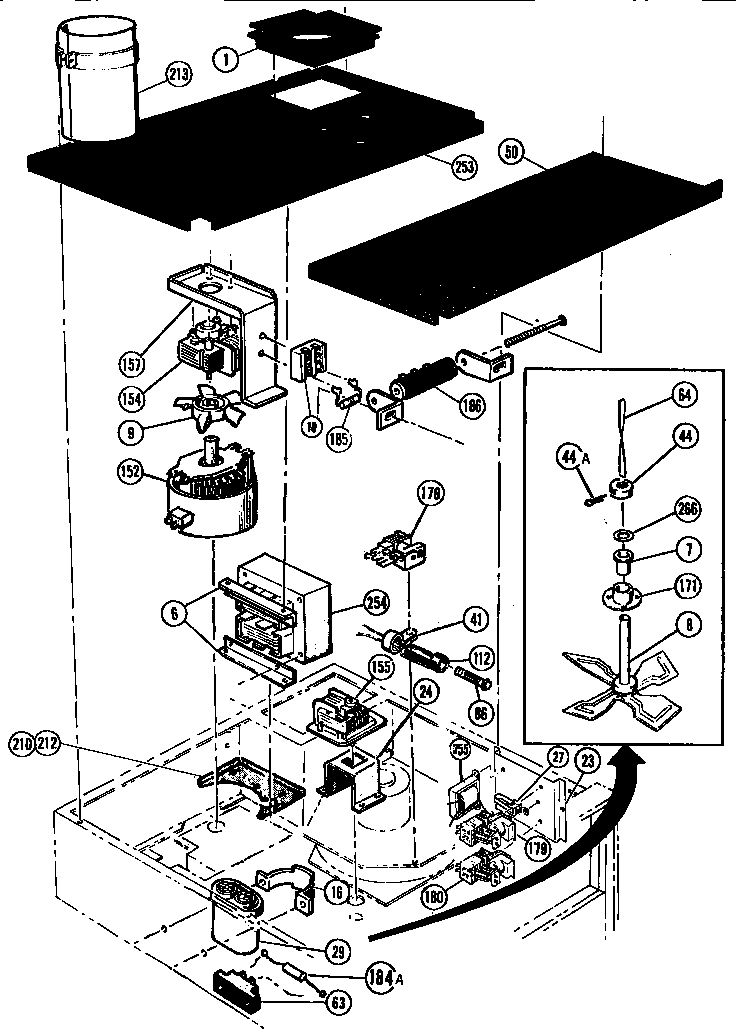
Microwave components Parts diagram
CMT21 Combination Oven Microwave components Parts diagram
Control panel Parts diagram
CMT21 Combination Oven Control panel Parts diagram
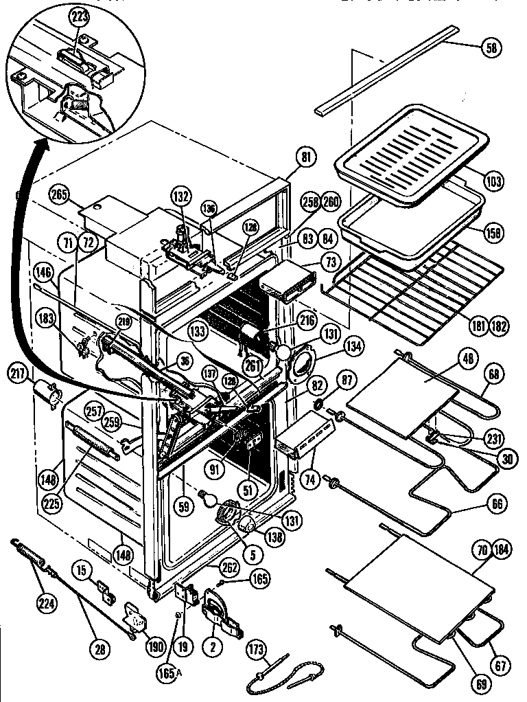
Rear view Parts diagram
CMT21 Combination Oven Rear view Parts diagram
Generic shutter type door Parts diagram
CMT21 Combination Oven Generic shutter type door Parts diagram
Shutterless door for lower oven Parts diagram
CMT21 Combination Oven Shutterless door for lower oven Parts diagram
Control Parts diagram
CMT21 Combination Oven Control Parts diagram

Recent Service Requests

CityProblem DescriptionResolution
Seattle, WashingtonTimer does not run, therefore the "SELF-CLEAN" option does not work. The BAKE and BROIL buttons do work.Repaired
College Station, TexasClock / Timer does not work.Repaired
Phoenix, ArizonaDead does not run at allAwaiting receipt of timer
Los Angeles, CaliforniaNot Working at all.Repaired
Myerstown, PennsylvaniaTimer does not workRepaired
Sutton, MassachusettsClock is out. Completely DeadRepaired
Grosse Pointe Farms, MichiganTimer clock stalls when start/stop pointers line upRepaired

Common problems for Thermador Combination Oven CMT21 Timer Repair

Are you encountering a similar problem as them? Contact us now and we will try to help you fix your CMT21 timer-related problem.
I have a Thermatronic II Micro-Thermal Oven, Model CMT21. The microwave is not working. Is it repairable and at what cost?
i need a replacement magnetron for my thermador cmt21 oven. is there a possibility of finding a replacement magnetron either new or used? the magnetron removed is a hatachi 2m53a
Thermador CMT21 clock and clock don't work seems like it has power. is there a reset button or a relay to replace?
reassembling thermador Thermatronic II lower oven door cmt21 Is there a mechanical schematic for thermador Thermatronic II oven model cmt21 lower door? Manufactured 1979. I took it apart because of cracked interior glass window. I can't find where to get a replacement glass. Now I don't know where two of the door parts go. They are two mirror-image aluminum thin plates about 9 3/4 inches by about 3 3/4. They are sort-of L shaped. Four of the six edges are bent parallel to the edge and to 90 degrees, The bent parts extend 1/4 inch perpendicular to the main flat surfaces. One edge (6 inches long) has a screw hole in it. I have trouble finding a place for them where they do not overlap the window. I thought they might have something to do with the shutter but I don't recognize any fit. I remember detaching them, one on each side when I took the inside apart. Everything else seems to fit other than these two pieces. I could also use info about getting replacement glass or replacement door.
My exhaust fan works well. When I disconnect the vent pipe fro the top of the oven, there is a healthy stream of air. However, even with smake in the broilder, no smoke comes out of the exhaust. I removed the filters and can see through from front to back, and there is no ibstruction. I did remove the oven from the wall just before this started to happen (in ordeer to repaor an bad heating element. all the paels are back in place. What is goig on? Where is the exhausts air coming from if not from the oven?
I have a Thermatronic II CMT21 Serial #84080259. I am looking to replace this unit but I have no room to change the opening, so, I need a unit that will fit into the opening I have. Opening is 55 1/4" x 24 1/4" x 24". Please email me model # XXXXX would fit this opening. XXX@XXXXXX.XXX THANKS!
I have a Thermador double oven CMT21. the cable for the lower door hinge broke and I would like some clues how to best go about relacing it. I have the part. Thanks
I have a Thermador CMT21 Thermatonic Micro-Thermal oven. The upper oven has the combination to do microwave, regular, or combination of regular and micro cooking. My serial number is XXXXX The lamp behind the upper oven microwave clock dial is out, everything else works well. How do I get to this lamp to replace it?
I have a Thermador CMT-21 double oven with microwave in the top oven built in Aug,1987. The main thermostat for the bottom oven has failed, and the Bosch part # XXXXX is discontinued with no substitute. Is my oven useless, or is there a source for this part or a substitute item? Steve Lozes XXX-XXX-XXXX
Need an upper oven latch for a CMT21 Thermatronic II, the micro-thermal oven, by Thermador. Oven purchased in 1979. Latch broke while engaged and couldn't unlock. Technician came and removed control panel and manually got it open. His employer said they can't get a replacement. Can you help, please? Mary McCabe, St. Louis, MO
cmt21 thermatronic II:micro wont power up-$85&the service guy said it needs m/w power selector sw.I've searched(all the wrong places) to find out it appears to be extinct.Any help would be greatly appreciated.Ray in S.A.,Tx.
I have a 1983 Thermatronic II model CMT21. It was vented to the exterior through an old clay vent line that had originally been used to vent a gas range through the roof. My roofers removed the clay pipe from the roof and covered up the opening under the belief that the pipe was no longer needed. Does the CMT21 have to be vented? If yes, can I vent it to the kitchen instead of the exterior? Thanks.
I own a Thermadore CMT21 and the microwave side just quit. I'm looking for a schematic for the oven. Does anyone know where I could locate it. Also when the Microwave died it made a loud pop. Any suggestions on what failed in the unit and if parts are available. I also have a New Cross Flow Magnetron tube kit Buttetin CMT-177 for Thermadore which I plan to install at the same time. This came out as a replacement for the discontinued Mag tube in my oven. Thanks, Dean