Magic Chef Microwave CM47JW14T Timer Repair

What is the timer/clock part number for the Magic Chef CM47JW14T Microwave?

Timer part number ERC- 4723-MCPX for Magic Chef CM47JW14T

The CM47JW14T Microwave uses timer part number ERC- 4723-MCPX.

Do you have a failed Magic Chef CM47JW14T control panel? Click here:

Request Appliance Timer Service

We can repair or replace your faulty Magic Chef CM47JW14T timer.

CM47JW14T are also sometimes referred to using these Alternative Names/Model numbers

Maytag CM47JW14T Microwave, Whirlpool CM47JW14T Microwave

CM47JW14T Schematic and Wiring Diagrams

Control panel Parts diagram
CM47JW14T Microwave Control panel Parts diagram
Door Parts diagram
CM47JW14T Microwave Door Parts diagram
Base Parts diagram
CM47JW14T Microwave Base Parts diagram
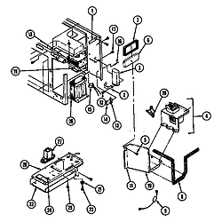
Internal controls Parts diagram
CM47JW14T Microwave Internal controls Parts diagram
Interlock switch Parts diagram
CM47JW14T Microwave Interlock switch Parts diagram
Turntable Parts diagram
CM47JW14T Microwave Turntable Parts diagram

Common problems for Magic Chef Microwave CM47JW14T Timer Repair

Are you encountering a similar problem as them? Contact us now and we will try to help you fix your CM47JW14T timer-related problem.
Will not heat properly, no fault code given I have replaced the thermostat and heating element. I believe it is the circuit board but cannot find instructions on how to replace it before purchasing. .