Maytag CHE9000BCE Timer Repair

What is the timer/clock part number for the Maytag CHE9000BCE Range?

Timer part number 12001607 for Maytag CHE9000BCE

The CHE9000BCE Range uses timer part number 12001607.

Do you have a failed Maytag CHE9000BCE control panel? Click here:

Request Appliance Timer Service

We can repair or replace your faulty Maytag CHE9000BCE timer.

CHE9000BCE are also sometimes referred to using these Alternative Names/Model numbers

Whirlpool CHE9000BCE Range

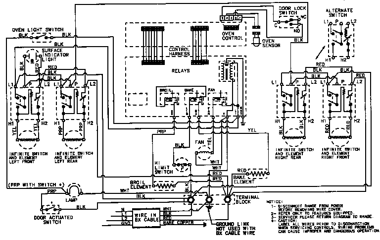
CHE9000BCE Schematic and Wiring Diagrams

Top assembly Parts diagram
CHE9000BCE Range Top assembly Parts diagram
Internal controls Parts diagram
CHE9000BCE Range Internal controls Parts diagram
Body Parts diagram
CHE9000BCE Range Body Parts diagram
Oven/base Parts diagram
CHE9000BCE Range Oven/base Parts diagram
Door/drawer (che9000bcb ser. pre. 10-11) (che9000bcb) Parts diagram
CHE9000BCE Range Door/drawer (che9000bcb ser. pre. 10-11) (che9000bcb) Parts diagram
Door/drawer (che9000bcb ser. pre. 12) (che9000bcb) Parts diagram
CHE9000BCE Range Door/drawer (che9000bcb ser. pre. 12) (che9000bcb) Parts diagram
Door/drawer (che9000bce) (che9000bce) Parts diagram
CHE9000BCE Range Door/drawer (che9000bce) (che9000bce) Parts diagram
Wiring information Parts diagram
CHE9000BCE Range Wiring information Parts diagram

Recent Service Requests

CityProblem DescriptionResolution
Swampscott, MassachusettsBlinks and go blank . Flashes
Shut oven down
Awaiting receipt of timer
Milwaukie, Oregonup arrow no longer responds to touch.Awaiting receipt of timer

Common problems for Maytag CHE9000BCE Timer Repair

Are you encountering a similar problem as them? Contact us now and we will try to help you fix your CHE9000BCE timer-related problem.
The clock/oven control module died by showing fault F3 (oven temp sensor) but checking out the sensor showed it was fine. The module has also been degrading over the last 1-2 years with the display fading in and out, initially after the oven had been on for a while, then occasionally with any key actions. (I figured the caps had dried out and replacing them was on the to-do list) I replaced the module, now oven works and no fault codes, but the display fades out after the oven is in use for a few minutes. When the display blanks, pressing any key will *usually* cause the display to illuminate. Other times it just comes back to normal brightness on its own. I am thinking the supply voltage is being affected by the board with the transformer on it, but I'd like to know what the signals coming into to control module are, i.e. pin numbers, name, and possibly a value such at 24 VAC. I'd like to be more systematic in my troubleshooting of the problem instead of throwing parts at it....any he
My maytag oven (mgr5750awd) will beep without any controls being pushed/activated. First noticed problem when oven would not stay on. Unit would beep every so often but was not turning on. Then, after uplugging, plugging back in, it seemed ok, but started beeping randomly in middle of the night. Going to replace the clock (control circuit boards) and hope that solves the problem.
My refrigerator is not cooling and i know something wrong inside the control box. the problem is i unable to open the control box. i appreciate if some one can give me step by step instruction to how to open it up from the refrigerator. here is the diagram Part Details - WHIRLPOOL Control Box, part number: AP2984350
Greetings: The electronic control on my Maytag range (CHE9000BCB) died last night; the UP arrow key no longer functions. Looking at the panel area, it seems that this part is relatively easy to repair. Could you provide instructions on how to disassemble the front panel to replace this part and are there any special tools I would need for this repair or any "gotcha's" I need to be aware of? -Jim
GE Cafe gas oven, 2 years old. I have two problems that I'm baffled with. Oven will not maintain temperature. If set to 350, control beeps indicating temp is achieved, but external digital thermometer with thermocouples indicates 300-325. During baking when calling for heat temps drop down to 290 (by ext. thermo) before burner comes back on. Burners also sometimes come on and off several times within a minute or two, other times it may come on and stay. During test, oven set at 400, temps drop to below 300 before coming back on. Second problem is the oven just shuts off on its own (usually within the hour) just like you'd hit cancel on the control panel. This has been happening for a couple of months and at first we thought we were accidently hitting the panel, After testing and watching it closely, the control just shuts off the baking feature and the digital clock remains. No flickering or lose of time. It just shuts down, just like hitting the cancel button. Any suggestions?
I just cleaned the top of my electric coil element oven. Upon re-inserting the coils, one "popped" but all are working. When all knobs are in off position, the indicator light (which indicates a burner is on) is lit. I don't know how to fix it and I don't know if I have a big problem.
I purchased a Maytag slide-in coil burner CHE9000BCE #2568940SU on Sep 30, 1997. A few months ago, the digital control would go blank while I had the oven on. When it goes blank, everything (oven, clock, and clock goes off). In addition, some times the clock would go out and return blinking as if I had had a power outage. Also, one time when I was only using three top burners, the digital clock went blank. My electrician replaced the digital control inset with a new one but that did not solve the problem. Even with the new control, I cannot trust the oven to do any baking. What could it be? My electrician (and he is a good one) said he was baffled and I best go out and buy a new range. Haven't done that yet -- but not baking either.
How do I change a switch on a Maytag Model CHE9000BCE? I have removed the coils and tried to pop the top but it will not budge.