Frigidaire Electric Range CFEF358EB2 Timer Repair

What is the timer/clock part number for the Frigidaire CFEF358EB2 Electric Range?

Timer part number 318185721 for Frigidaire CFEF358EB2

The CFEF358EB2 Electric Range uses timer part number 318185721.

Do you have a failed Frigidaire CFEF358EB2 control panel? Click here:

Request Appliance Timer Service

We can repair or replace your faulty Frigidaire CFEF358EB2 timer.

CFEF358EB2 are also sometimes referred to using these Alternative Names/Model numbers

Electrolux CFEF358EB2 Electric Range

CFEF358EB2 Schematic and Wiring Diagrams

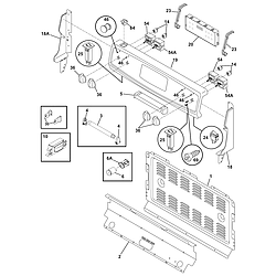
Backguard Parts diagram
CFEF358EB2 Electric Range Backguard Parts diagram
Body Parts diagram
CFEF358EB2 Electric Range Body Parts diagram
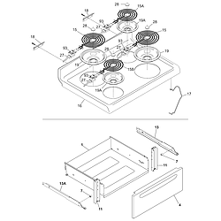
Top/drawer Parts diagram
CFEF358EB2 Electric Range Top/drawer Parts diagram
Door Parts diagram
CFEF358EB2 Electric Range Door Parts diagram
Wiring diagram Parts diagram
CFEF358EB2 Electric Range Wiring diagram Parts diagram

Recent Service Requests

CityProblem DescriptionResolution
Humber Valley Resort, Newfoundland and LabradorF11Awaiting receipt of timer
Calgary, AlbertaF11 errorAwaiting receipt of timer
Okotoks, AlbertaDiscussed issues with my husband over the phone.Replaced with reconditioned timer

Common problems for Frigidaire Electric Range CFEF358EB2 Timer Repair

Are you encountering a similar problem as them? Contact us now and we will try to help you fix your CFEF358EB2 timer-related problem.
My Frigidairre range is flashing Error F10 and beeps when I try baking. It runs fine on Broil. I cleared the error and beeping stopped but when I re-started it gave the same error. What does that mean? Can I fix it or I need to call a service agent?
I have a Frigidaire range Model CFEF358EB2. Two months out of warranty. I am getting Error Code F31 in the oven (and broiler) when I try to turn it on. The burners are fine. What do I check and where is it located? It is a long and expensive way out here for a technician. Thanks.
I have a Frigidaire range Model CFEF358EB2 displaying an F11 error code along with a constant beeping. Any way to fix this myself? I can still use the elements but nothin else on the digital display. The oven still works just cant use it. I have read elsewhere that the contact pads may be sticking somewhere. I have removed the back top panel to see if I could clean the contact pads but too complicated lol.