Maytag BCRE955 Timer Repair

What is the timer/clock part number for the Maytag BCRE955 Range?

Timer part number 7601p175-60 for Maytag BCRE955

The BCRE955 Range uses timer part number 7601p175-60.

Do you have a failed Maytag BCRE955 control panel? Click here:

Request Appliance Timer Service

We can repair or replace your faulty Maytag BCRE955 timer.

BCRE955 are also sometimes referred to using these Alternative Names/Model numbers

Whirlpool BCRE955 Range

BCRE955 Schematic and Wiring Diagrams

Control panel (bcre955) Parts diagram
BCRE955 Range Control panel (bcre955) Parts diagram
Top assembly (bcre955) Parts diagram
BCRE955 Range Top assembly (bcre955) Parts diagram
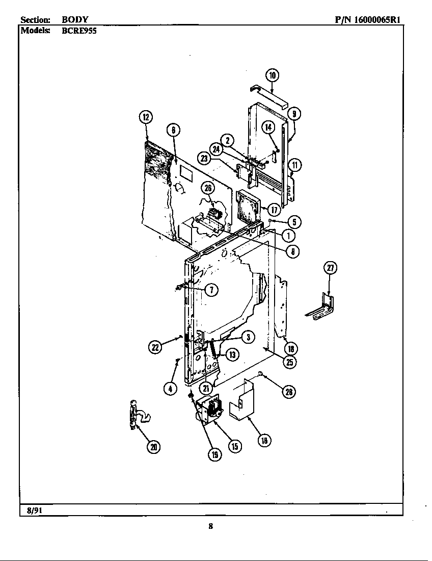
Body (bcre955) Parts diagram
BCRE955 Range Body (bcre955) Parts diagram
Internal controls (bcre955) Parts diagram
BCRE955 Range Internal controls (bcre955) Parts diagram
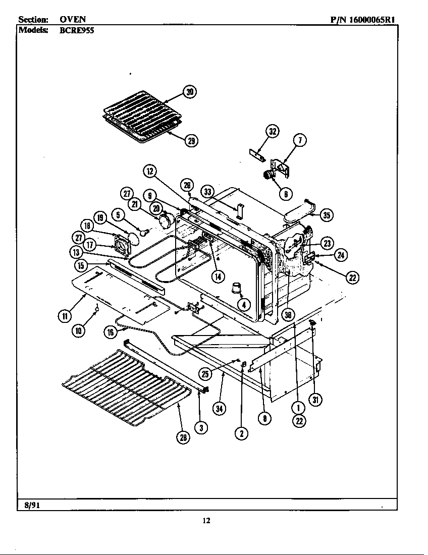
Oven Parts diagram
BCRE955 Range Oven Parts diagram
Door (bcre955) Parts diagram
BCRE955 Range Door (bcre955) Parts diagram
Drawer (bcre955) Parts diagram
BCRE955 Range Drawer (bcre955) Parts diagram

Common problems for Maytag BCRE955 Timer Repair

Are you encountering a similar problem as them? Contact us now and we will try to help you fix your BCRE955 timer-related problem.
This morning the ice bucket was full of ice like water had overflowed the ice maker and flowed into the bucket where it froze. Then it would make ice, but only teeny pieces. But at least the blades were turning. I removed the icemaker and defrosted it and the inlet hose (it was blocked with ice). I re-installed it and now the icemaker does nothing. No water goes in and the blades don't turn when I lift the arm and put it back down. BTW I have removed and re-installed the ice maker several times in the past for other problems so I do know how to do it. It's a modular type and I tested the thermostat resistance - looks right. I also tested the motor resistance and the warmer resistance. All seemed right. Any pointers for troubleshooting from here before I buy a whole new one?
I have an 2003 Amana bottom freezer refrigerator. The freezer is just cold and will not freeze anything. No frost on the coils. Replaced the thermostat part #10442411 which was covered in ice. I dropped it just before instillation, hope this did not effect it. It still isn't freezing. I do have part # P1309702WL the clock defrost however, I do not know where to install it. The fan is working. Before I installed the thermostat part I could put a bag of ice in the freezer area and it would last me a few days. Now when I put a bag of ice in it starts to melt and only last one day. I have seemed to made more of a problem. Help me to get my freezer to work.
I have an 2003 Amana #BCI20T bottom freezer refrigerator. The freezer is just cold and will not freeze anything. No frost on the coils. Replaced the thermostat part #10442411 which was covered in ice. I dropped it just before instillation, hope this did not effect it. It still isn't freezing. I do have part # P1309702WL the clock defrost however, I do not know where to install it. The fan is working. Before I installed the thermostat part I could put a bag of ice in the freezer area and it would last me a few days. Now when I put a bag of ice in it starts to melt and only last one day. I have seemed to made more of a problem. Help me to get my freezer to work.
Ice Kit Model Number: AP4126725 Refrigerator Model Number: There were two numbers: BC20KL and P7812514WL We bought a house, the Amana fridge that came with it evidentally had an ice maker installed at some point but wasn't there when we bought it. I bought the kit that is recommended based on the fridge model number (BC20KL) and in the image on this website you can clearly see a three pronged circle plug with a green wire leading from it. Part Details - WHIRLPOOL Ic2 - kit(icemkr), part number: AP4126725 Only problem is theres no place in the freezer to plug that into! The only wire I see in the freezer is a rectangular 4 prong female plug. The ice maker itself has a very similar rectangular 4 prong female plug that the green wire/circle plug is currently plugged into. I'm wondering whether I can unplug the green wire and purchase a male to male cable so I can install this icemaker? What should I do?
I have an 2003 Amana MODEL # BCI20T bottom freezer refrigerator. The freezer is just cold and will not freeze anything. No frost on the coils. Replaced the thermostat part #10442411 which was covered in ice. I dropped it just before instillation, hope this did not effect it. It still isn't freezing. I do have part # P1309702WL the clock defrost however, I do not know where to install it. The fan is working. Before I installed the thermostat part I could put a bag of ice in the freezer area and it would last me a few days. Now when I put a bag of ice in it starts to melt and only last one day. I have seemed to made more of a problem. Help me to get my freezer to work.
I have an 2003 Amana bottom freezer refrigerator. The freezer is just cold and will not freeze anything. No frost on the coils. Replaced the thermostat part #10442411 which was covered in ice. I dropped it just before instillation, hope this did not effect it. It still isn't freezing. I do have part # P1309702WL the clock defrost however, I do not know where to install it. The fan is working. Before I installed the thermostat part I could put a bag of ice in the freezer area and it would last me a few days. Now when I put a bag of ice in it starts to melt and only last one day. I have seemed to made more of a problem. Help me to get my freezer to work.
HI, I have Amana over 10 year Model Number BC21V1W, the freezer in the bottom and when ice collected and not deforst stop cooling and when I unplug and clean and plug again work all right for period of time then happen again and stop workking. do you think the thermostate freezer need to replace and is that Part AP4002415, please help me
I have an 2003 MODEL # BCI20T Amana bottom freezer refrigerator. The freezer is just cold and will not freeze anything. No frost on the coils. Replaced the thermostat part #10442411 which was covered in ice. I dropped it just before instillation, hope this did not effect it. It still isn't freezing. I do have part # P1309702WL the clock defrost however, I do not know where to install it. The fan is working. Before I installed the thermostat part I could put a bag of ice in the freezer area and it would last me a few days. Now when I put a bag of ice in it starts to melt and only last one day. I have seemed to made more of a problem. Help me to get my freezer to work.
maytag ceran top range I was trying to take the knob off to wash it, and the metal knob underneath broke in half?? can you replace it?
Looking for Manual for Maytag oven BCRE955 Looking for User Manual for Maytag oven BCRE955
maytag model BCRE955 electric oven the top of range works but can't turn oven on or broiler. Can't use the clock button. Is it the circuit board. How much to replace
I have a maytag model bcre955 electric range we were having tempiture issues then all of a sudden the digital console goes out and now the range is totally inoperable where do i start to diagnose the problem?
I have an older Maytag oven (BCRE955) which has developed two problems. 1) It appears that a 'spring' which helps to close the door and hold it closed has broken. The door is now very heavy to close and does not hold closed. Can you diagnose the problem suggest the replacement part number? 2) When the oven temperature is set, the oven will go to a temp above the setting. (eg: Set for 300 and it will go to 425 and stay at 425.) Can you diagnose the problem suggest the replacement part number? 3) Also, are there any schematics available on line to see how to replace them?
I have a Maytag electric oven, model #BCRE955-18. It is giving me an F-1 and the clock keeps repeatedly beeping. I have pushed cancel, etc. but no help. We have turned off the power to the oven but would like advice on how to fix this problem. Probably a fuse? Bill