Magic Chef Electric Oven 9825VUV Timer Repair

9825VUV are also sometimes referred to using these Alternative Names/Model numbers

Maytag 9825VUV Electric Oven, Whirlpool 9825VUV Electric Oven

9825VUV Schematic and Wiring Diagrams

Control panel Parts diagram
9825VUV Electric Oven Control panel Parts diagram
Body Parts diagram
9825VUV Electric Oven Body Parts diagram
Oven Parts diagram
9825VUV Electric Oven Oven Parts diagram
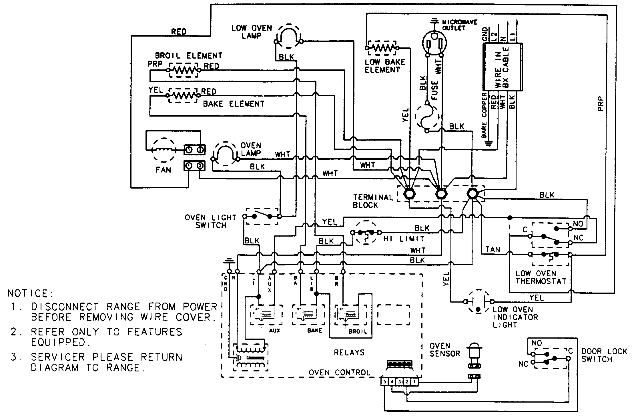
Wiring information Parts diagram
9825VUV Electric Oven Wiring information Parts diagram
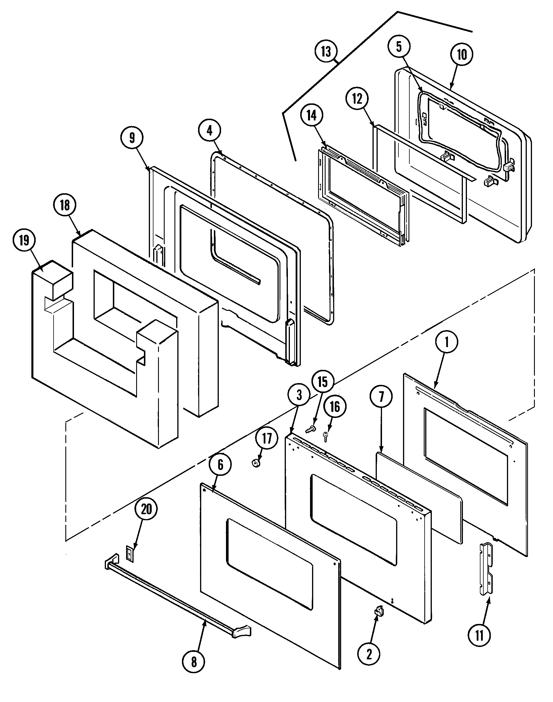
Door (upper) Parts diagram
9825VUV Electric Oven Door (upper) Parts diagram
Door (lower) Parts diagram
9825VUV Electric Oven Door (lower) Parts diagram

Recent Service Requests

CityProblem DescriptionResolution
Frisco, TexasOven heats and won't shut off. Clock face no longer lights up. I'll take a refurbished part if you have it (price quote please). Alternatively, if the price is right, i can send existing part in for a repair.Awaiting receipt of timer

Common problems for Magic Chef Electric Oven 9825VUV Timer Repair

Are you encountering a similar problem as them? Contact us now and we will try to help you fix your 9825VUV timer-related problem.
We inherited a Kenmore electric dryer that only runs when you press down the start button. It heats up, the tumbler turns - but only with the start button depressed. You let off on the button and it stops. I replaced the start switch but it didn't fix the problem - at least it didn't make it worse! Any suggestions?
Looking for a clock control panel to replace the NLA part for a Magic Chef 9825VUV. Any ideas?
Please give me some help on a Maytag built-in oven:Model #9825VUV, sn2166789457. The unit is in a house in Reno,NV and was installed obout ten years ago. We had the clock replaced by a Tech from A1-Appliance(Rocklin, CA)(part #7601p281-60, on 04/22/2009. The power has been off to the house, except one weekend, since it is vacant. (I live in Pasadena, CA.) A friend was showing the house to a prospective tenant, this past weekend. The friend called and said the oven would beep and F-1 was showing, after hitting stop the beeping quit and F-7 flashed and then rolled back to F-1. Since, I can no longer find the manual, is there some help you can give me? Cal Taylor--e-mail:XXX@XXXXXX.XXX XXX-XXX-XXXX
MAGIC CHEF WALL OVEN 9825VUV DO YOU HAVE TO REMOVE OVEN FROM THE WALL TO CHANGE THE ELEMENT
is the maytag magic chef model # XXXXX double wall oven 110 or 220?