Magic Chef 9122XPB Timer Repair

What is the timer/clock part number for the Magic Chef 9122XPB Range?

Timer part number 7602P097-60 for Magic Chef 9122XPB

The 9122XPB Range uses timer part number 7602P097-60.

Do you have a failed Magic Chef 9122XPB control panel? Click here:

Request Appliance Timer Service

We can repair or replace your faulty Magic Chef 9122XPB timer.

9122XPB are also sometimes referred to using these Alternative Names/Model numbers

Maytag 9122XPB Range, Whirlpool 9122XPB Range

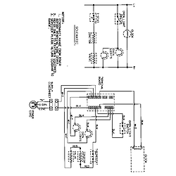
9122XPB Schematic and Wiring Diagrams

Control panel Parts diagram
9122XPB Range Control panel Parts diagram
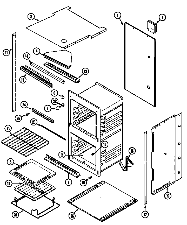
Oven/body Parts diagram
9122XPB Range Oven/body Parts diagram
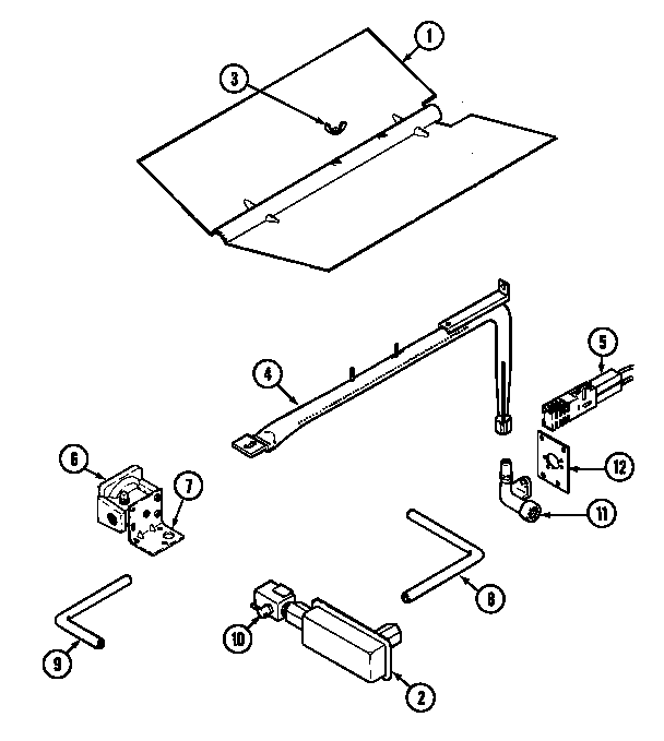
Gas controls Parts diagram
9122XPB Range Gas controls Parts diagram
Door (upper) Parts diagram
9122XPB Range Door (upper) Parts diagram
Door (lower) Parts diagram
9122XPB Range Door (lower) Parts diagram
Wiring information Parts diagram
9122XPB Range Wiring information Parts diagram

Recent Service Requests

CityProblem DescriptionResolution
New Orleans, LA, LouisianaNo power or digitsAwaiting receipt of timer
New Orleans, LA, LouisianaNo power or digitsAwaiting receipt of timer
San Bernardino, CaliforniaParts of the red numerals do no light up completely unless you push on the digital clock/timer. This timer has to the right of the numerals a clock select pad on top and a timer select pad on bottom. To the left of the numerals is an hour adjustment pad on top and a minute adjustment pad on bottom. If you don't have one in inventory please let me know if mine can be repaired.Awaiting receipt of timer