Kenmore Gas Range 9113658811 Timer Repair

What is the timer/clock part number for the Kenmore 9113658811 Gas Range?

Timer part number 342145 for Kenmore 9113658811

The 9113658811 Gas Range uses timer part number 342145.

Do you have a failed Kenmore 9113658811 control panel? Click here:

Request Appliance Timer Service

We can repair or replace your faulty Kenmore 9113658811 timer.

9113658811 are also sometimes referred to using these Alternative Names/Model numbers

Sears 9113658811 Gas Range

9113658811 Schematic and Wiring Diagrams

Main top section Parts diagram
9113658811 Gas Range Main top section Parts diagram
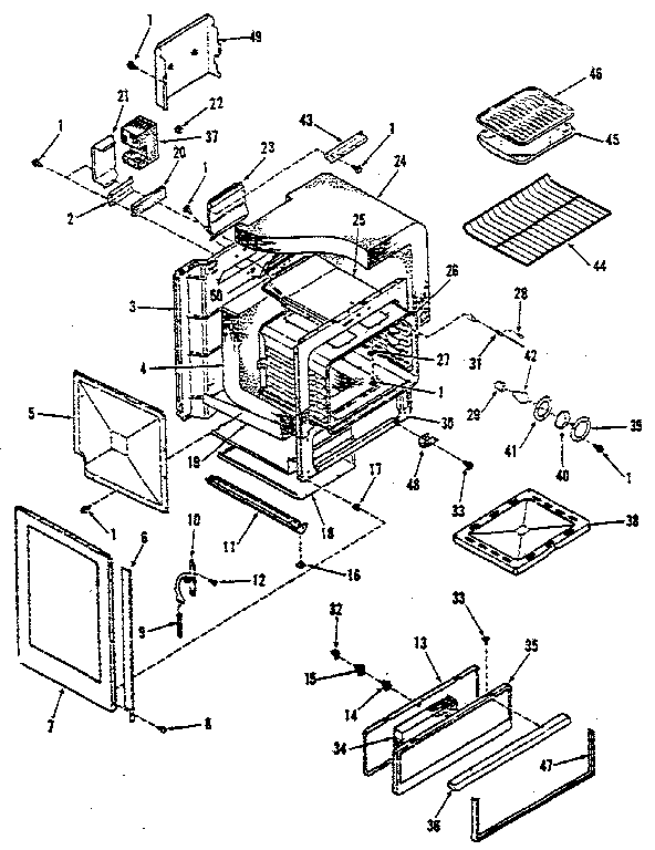
Oven body section Parts diagram
9113658811 Gas Range Oven body section Parts diagram
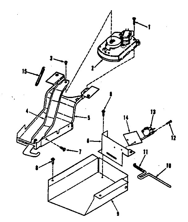
Power lock section Parts diagram
9113658811 Gas Range Power lock section Parts diagram
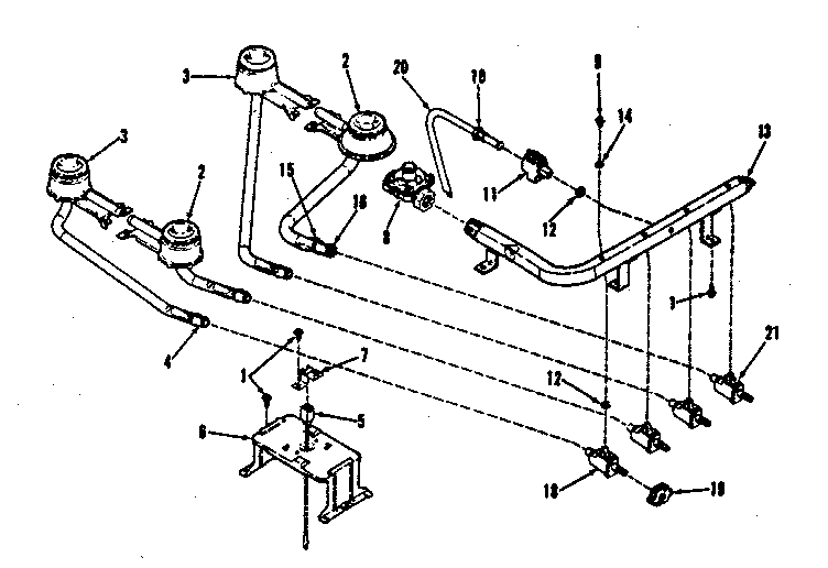
Top burner section Parts diagram
9113658811 Gas Range Top burner section Parts diagram
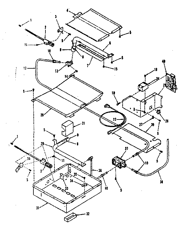
Broiler & oven burner section Parts diagram
9113658811 Gas Range Broiler & oven burner section Parts diagram
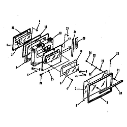
Oven body door section Parts diagram
9113658811 Gas Range Oven body door section Parts diagram
Wire harnesses and options Parts diagram
9113658811 Gas Range Wire harnesses and options Parts diagram
Optional rear main top filler Parts diagram
9113658811 Gas Range Optional rear main top filler Parts diagram
Optional vertical trim extension Parts diagram
9113658811 Gas Range Optional vertical trim extension Parts diagram

Common problems for Kenmore Gas Range 9113658811 Timer Repair

Are you encountering a similar problem as them? Contact us now and we will try to help you fix your 9113658811 timer-related problem.
Have a 30'' Kenmore slide in gas oven oven model(NNN) NNN-NNNN Oven and broiler light up but turn off within a minute. Ooven indicator lights on the panel also go out when it shuts off. I checked both ignitors. They are OK. I can hear the relays kick in and out. Also the broiler never goes to high, only low. Why doesn't it stay on?