Kenmore Elite Electric Range 79099503993 Timer Repair

What is the timer/clock part number for the Kenmore 79099503993 Elite Electric Range?

Timer part number 318010102 for Kenmore 79099503993

The 79099503993 Elite Electric Range uses timer part number 318010102.

Do you have a failed Kenmore 79099503993 control panel? Click here:

Request Appliance Timer Service

We can repair or replace your faulty Kenmore 79099503993 timer.

79099503993 are also sometimes referred to using these Alternative Names/Model numbers

Sears 79099503993 Elite Electric Range

79099503993 Schematic and Wiring Diagrams

Backguard Parts diagram
79099503993 Elite Electric Range Backguard Parts diagram
Body Parts diagram
79099503993 Elite Electric Range Body Parts diagram
Maintop Parts diagram
79099503993 Elite Electric Range Maintop Parts diagram
Drawer/small door Parts diagram
79099503993 Elite Electric Range Drawer/small door Parts diagram
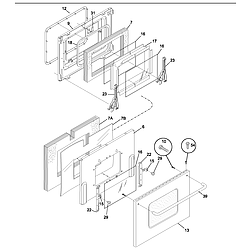
Oven door Parts diagram
79099503993 Elite Electric Range Oven door Parts diagram
Wiring diagram Parts diagram
79099503993 Elite Electric Range Wiring diagram Parts diagram

Recent Service Requests

CityProblem DescriptionResolution
Ireton, IowaOven will not heatRepaired
Portage, PennsylvaniaOven not heatingAwaiting receipt of timer
Moravian Falls, North Carolinaoven would get over 250 degrees, and then it stopped workingRepaired
pittsfield, Massachusettsmother board only passing 110 volt to heating element. heats to 150 degrees with new elementAwaiting receipt of timer
Timberlake, North CarolinaCircuit board arcAwaiting receipt of timer
Weat creek, New JerseyOven does not reach desired temperature due to lower heating element not receiving voltage from control panel. Also, display of oven temperature is very dimRepaired
Nashville, TennesseePart is missingAwaiting receipt of timer
OWEGO, New Yorkbake burner will not heat relay keeps trippingReplaced with reconditioned timer