Kenmore Electric Range 79096612401 Timer Repair

What is the timer/clock part number for the Kenmore 79096612401 Electric Range?

Timer part number 316418702 for Kenmore 79096612401

The 79096612401 Electric Range uses timer part number 316418702.

Do you have a failed Kenmore 79096612401 control panel? Click here:

Request Appliance Timer Service

We can repair or replace your faulty Kenmore 79096612401 timer.

79096612401 are also sometimes referred to using these Alternative Names/Model numbers

Sears 79096612401 Electric Range

79096612401 Schematic and Wiring Diagrams

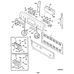
Backguard Parts diagram
79096612401 Electric Range Backguard Parts diagram
Body Parts diagram
79096612401 Electric Range Body Parts diagram
Top/drawer Parts diagram
79096612401 Electric Range Top/drawer Parts diagram
Door Parts diagram
79096612401 Electric Range Door Parts diagram
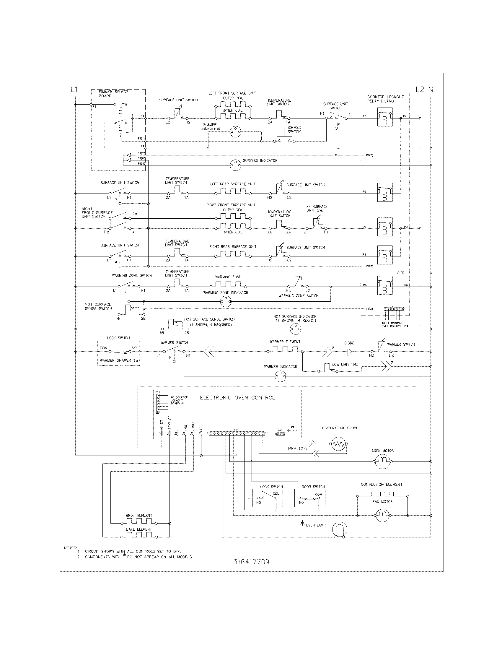
Wiring schematic Parts diagram
79096612401 Electric Range Wiring schematic Parts diagram
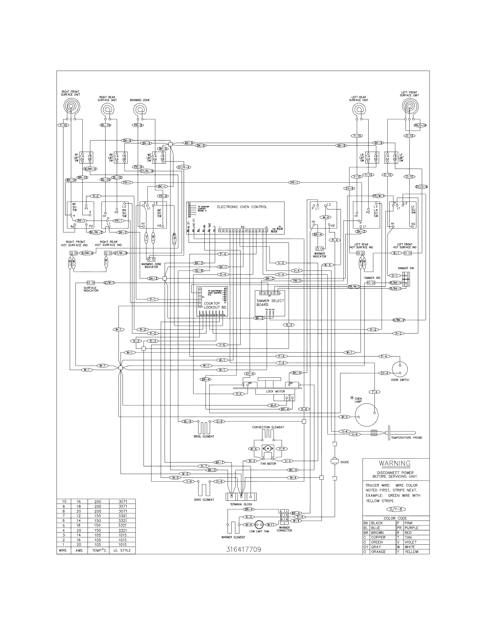
Wiring diagram Parts diagram
79096612401 Electric Range Wiring diagram Parts diagram