Kenmore Electric Range 79096612400 Timer Repair

What is the timer/clock part number for the Kenmore 79096612400 Electric Range?

Timer part number 316418702 for Kenmore 79096612400

The 79096612400 Electric Range uses timer part number 316418702.

Do you have a failed Kenmore 79096612400 control panel? Click here:

Request Appliance Timer Service

We can repair or replace your faulty Kenmore 79096612400 timer.

79096612400 are also sometimes referred to using these Alternative Names/Model numbers

Sears 79096612400 Electric Range

79096612400 Schematic and Wiring Diagrams

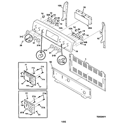
Backguard Parts diagram
79096612400 Electric Range Backguard Parts diagram
Body Parts diagram
79096612400 Electric Range Body Parts diagram
Top/drawer Parts diagram
79096612400 Electric Range Top/drawer Parts diagram
Door Parts diagram
79096612400 Electric Range Door Parts diagram
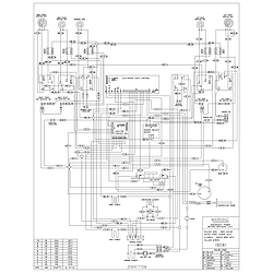
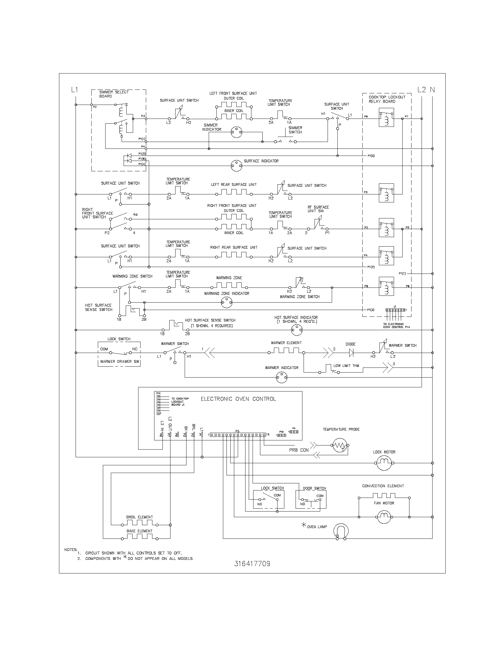
Wiring schematic Parts diagram
79096612400 Electric Range Wiring schematic Parts diagram
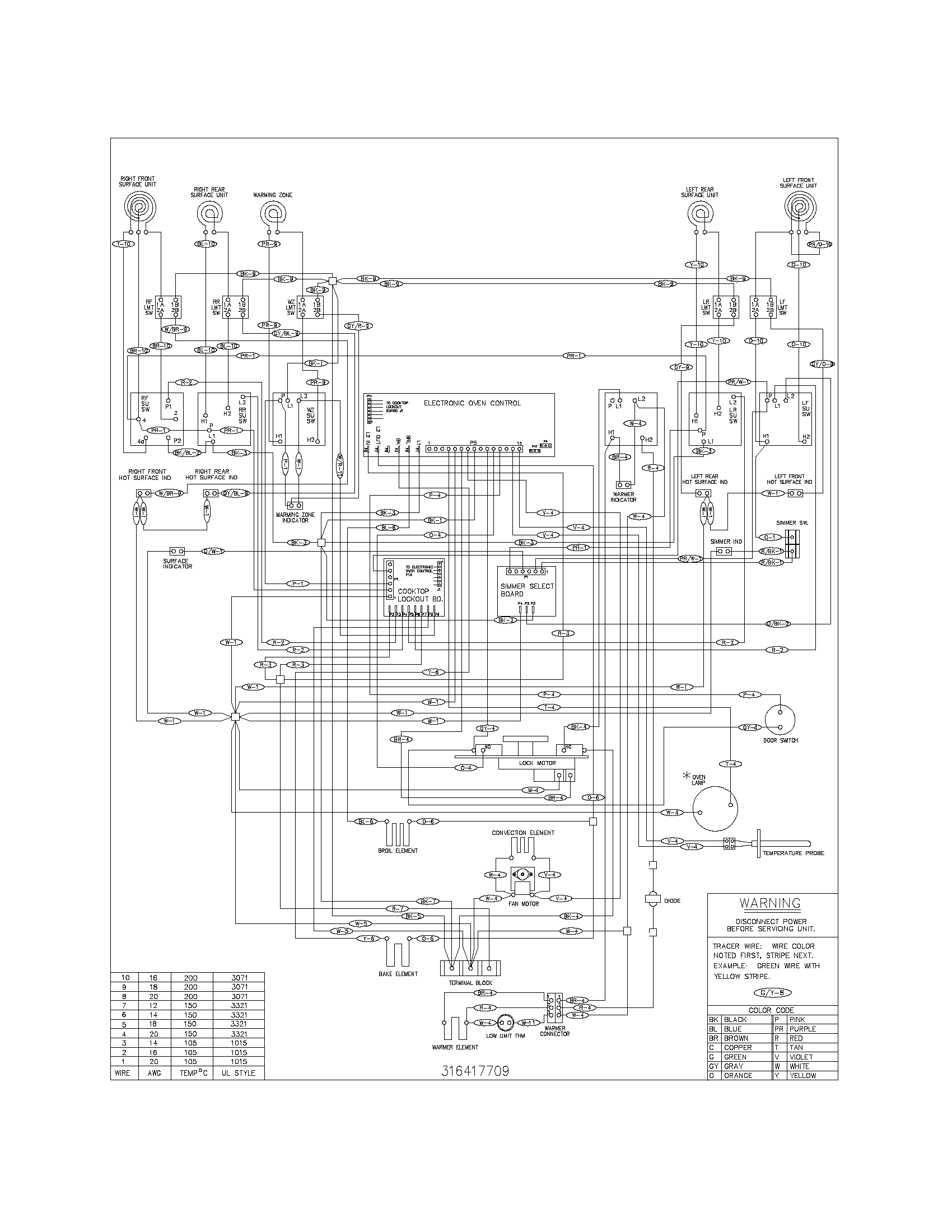
Wiring diagram Parts diagram
79096612400 Electric Range Wiring diagram Parts diagram

Recent Service Requests

CityProblem DescriptionResolution
Dallas, Georgiawill not shut down oven after reaching proper tempBeyond Repair

Common problems for Kenmore Electric Range 79096612400 Timer Repair

Are you encountering a similar problem as them? Contact us now and we will try to help you fix your 79096612400 timer-related problem.
oven door on Kenmore oven door Model(NNN) NNN-NNNNElectric oven does not close shut. This cause light to go on in oven if somebody walks or jumps in Kitchen