Established in
Canada in 1969
Check out our great prices for range timers…
Timer Repair Service:
$176
In-Stock Reconditioned Timers:
Subject to availability.
Some exceptions apply.
Learn how
our pricing differs from other firms
.
$196
Home
About Us
Corporate Profile
Key Benefits
Careers
Testimonials
Repair Services
Why Repair Your Timer?
Timer Failure Diagnostics
Timer Removal
Timer Shipping Instructions
Pricing & Terms
Service Firms
Manufacturers
Appliance Brands
Timer Models
Request Service
Repair/Purchase Request
Bill Payment
FAQs
Contact Us
Send us an Email
Contact Information
Pricing
Home
Appliances
Kenmore
790926813
Kenmore Electric Range 790926813 Timer Repair
790926813 are also sometimes referred to using these Alternative Names/Model numbers
Sears 790926813 Electric Range, 79092681301, 79092681300, 79092681302
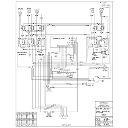
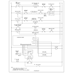
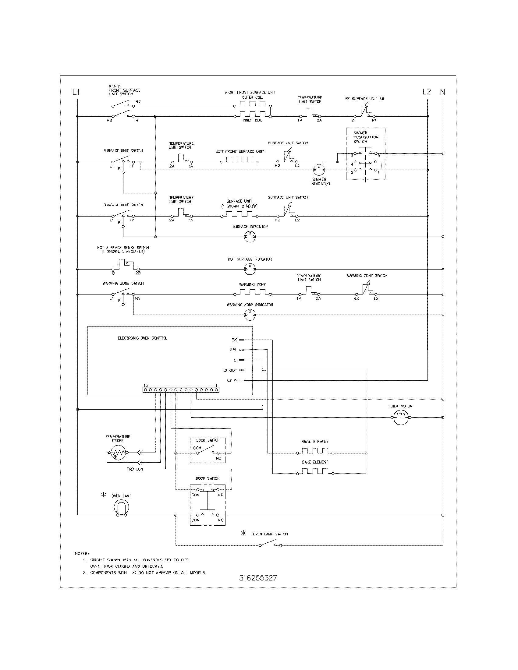
790926813 Schematic and Wiring Diagrams
Backguard Parts diagram
Body Parts diagram
Top/drawer Parts diagram
Door Parts diagram
Wiring schematic Parts diagram
Wiring diagram Parts diagram
Repairing, reconditioning and rebuilding appliance timers
and stove clocks since 1969.
Experts in relay boards, washer timers, dryer timers, timer repair, range timers, dishwasher panels and ERCs.
©2026 ApplianceTimers.ca - A unit of Macro Point Ltd.
Privacy Policy
Site Map
v20240510