Kenmore Elite Dual Fuel Slide-In Range 79046813992 Timer Repair

What is the timer/clock part number for the Kenmore 79046813992 Elite Dual Fuel Slide-In Range?

Timer part number 318019900 for Kenmore 79046813992

The 79046813992 Elite Dual Fuel Slide-In Range uses timer part number 318019900.

Do you have a failed Kenmore 79046813992 control panel? Click here:

Request Appliance Timer Service

We can repair or replace your faulty Kenmore 79046813992 timer.

79046813992 are also sometimes referred to using these Alternative Names/Model numbers

Sears 79046813992 Elite Dual Fuel Slide-In Range

79046813992 Schematic and Wiring Diagrams

Backguard Parts diagram
79046813992 Elite Dual Fuel Slide-In Range Backguard Parts diagram
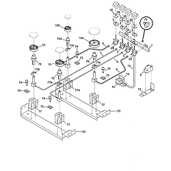
Burner Parts diagram
79046813992 Elite Dual Fuel Slide-In Range Burner Parts diagram
Body Parts diagram
79046813992 Elite Dual Fuel Slide-In Range Body Parts diagram
Top/drawer Parts diagram
79046813992 Elite Dual Fuel Slide-In Range Top/drawer Parts diagram
Door Parts diagram
79046813992 Elite Dual Fuel Slide-In Range Door Parts diagram
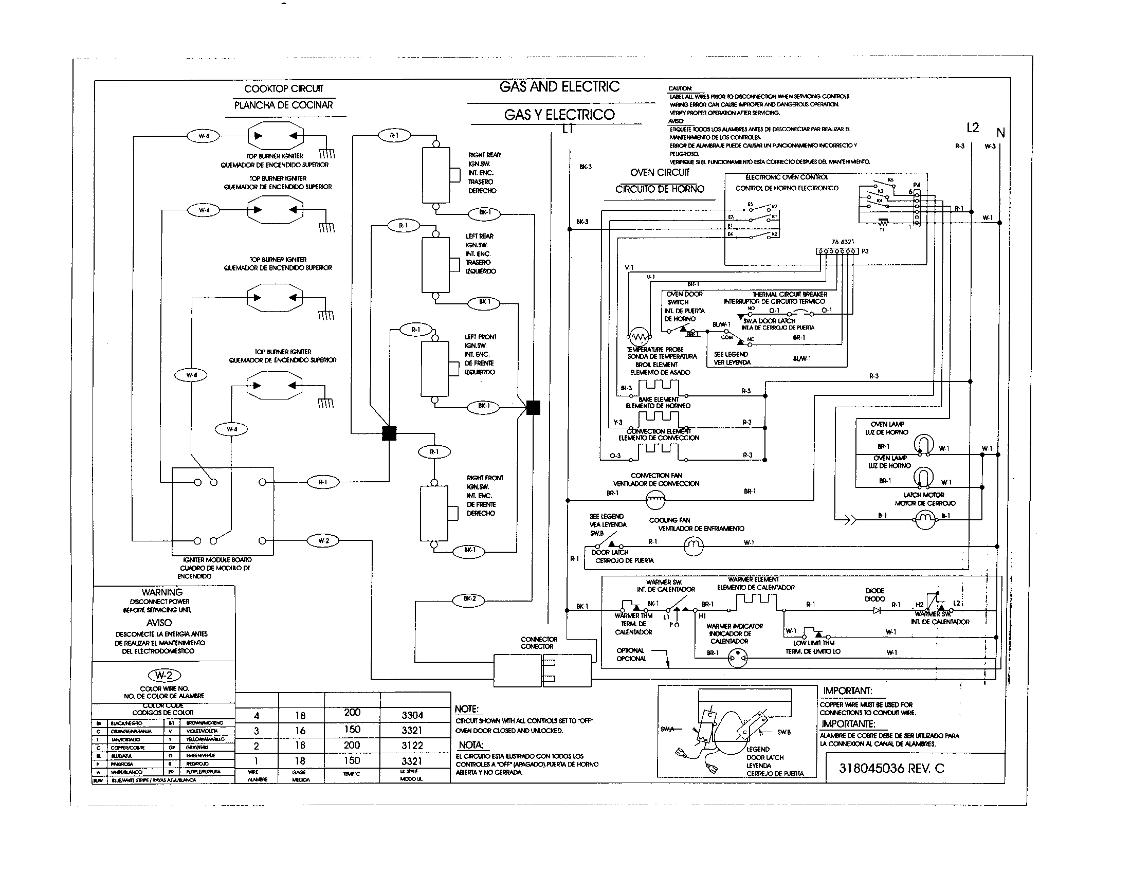
Wiring diagram Parts diagram
79046813992 Elite Dual Fuel Slide-In Range Wiring diagram Parts diagram

Recent Service Requests

CityProblem DescriptionResolution
Mentor, OhioF1 cannot use the oven.Awaiting receipt of timer
boulder, ColoradoF1 displays and oven or timer will not operate.Awaiting receipt of timer
Shoreline, WashingtonF1 failure. If I push clear, the clock comes back but still can't turn on the oven. If I open up the unit and run a hair dryer on the timer for 10 minutes or so it does work again, but it eventually fails again and the time period that it keep working between these stopgap repairs has gotten to be less and less.Replaced with reconditioned timer
Dallas, TexasThere is an F1 code that comes on whenever we try to start or clean the oven. This is the second time this part has gone out, and the first time it was replaced.Awaiting receipt of timer
West Roxbury, Massachusettsjust stops working and error code F1 comes upAwaiting receipt of timer
alexandria, VirginiaF1 error code, beeps every minuteAwaiting receipt of timer

Common problems for Kenmore Elite Dual Fuel Slide-In Range 79046813992 Timer Repair

Are you encountering a similar problem as them? Contact us now and we will try to help you fix your 79046813992 timer-related problem.
im trying to locate the installation manual for my kenmore elite range model # XXXXX