Kenmore Elite Dual Fuel Slide-In Range 79046813991 Timer Repair

What is the timer/clock part number for the Kenmore 79046813991 Elite Dual Fuel Slide-In Range?

Timer part number 3169258 for Kenmore 79046813991

The 79046813991 Elite Dual Fuel Slide-In Range uses timer part number 3169258.

Do you have a failed Kenmore 79046813991 control panel? Click here:

Request Appliance Timer Service

We can repair or replace your faulty Kenmore 79046813991 timer.

79046813991 are also sometimes referred to using these Alternative Names/Model numbers

Sears 79046813991 Elite Dual Fuel Slide-In Range

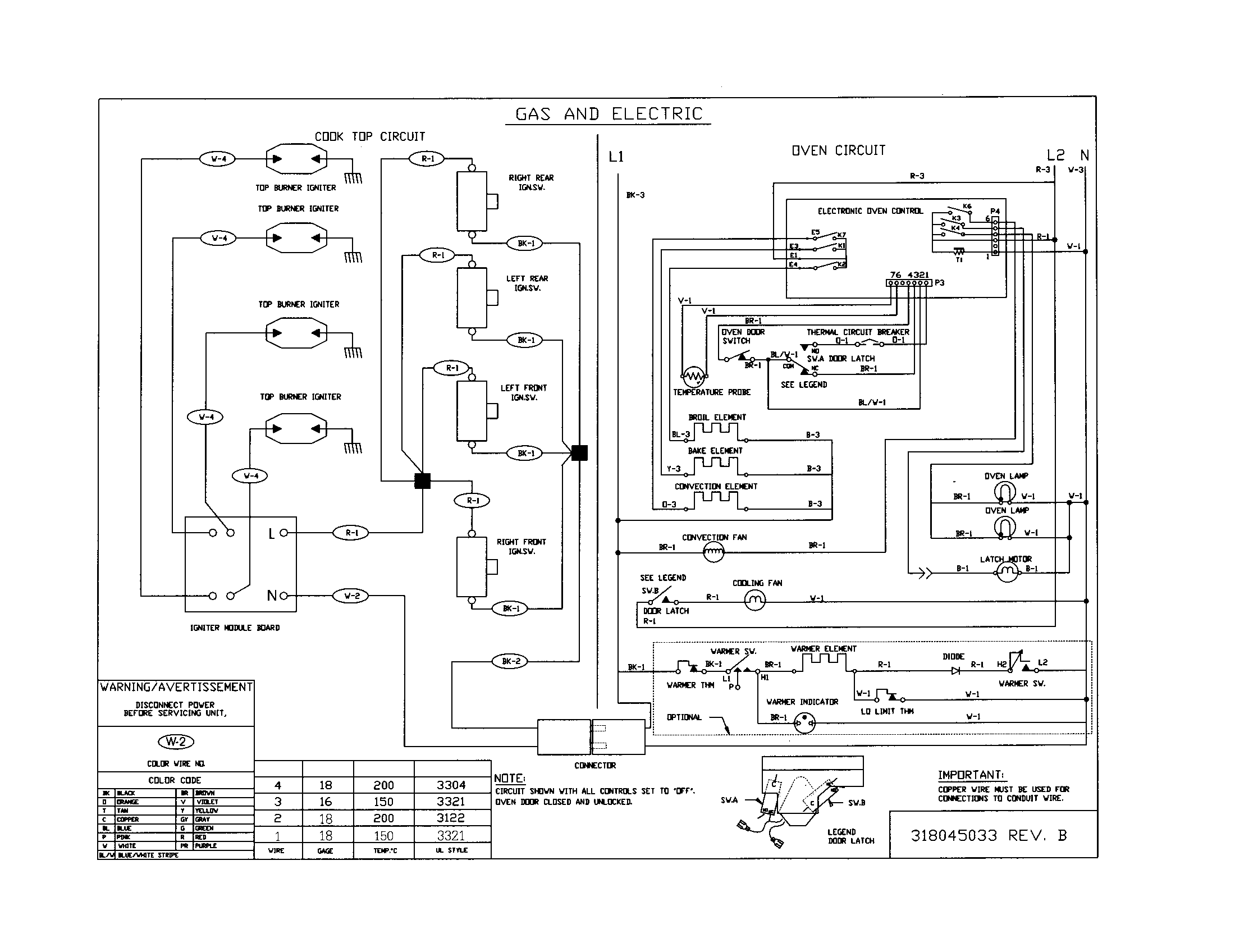
79046813991 Schematic and Wiring Diagrams

Backguard Parts diagram
79046813991 Elite Dual Fuel Slide-In Range Backguard Parts diagram
Burner Parts diagram
79046813991 Elite Dual Fuel Slide-In Range Burner Parts diagram
Body Parts diagram
79046813991 Elite Dual Fuel Slide-In Range Body Parts diagram
Top/drawer Parts diagram
79046813991 Elite Dual Fuel Slide-In Range Top/drawer Parts diagram
Door Parts diagram
79046813991 Elite Dual Fuel Slide-In Range Door Parts diagram
Wiring Parts diagram
79046813991 Elite Dual Fuel Slide-In Range Wiring Parts diagram

Recent Service Requests

CityProblem DescriptionResolution
New Hyde Park, New YorkOven not working with F1 codeAwaiting receipt of timer
New Hyde Park, New YorkOven not working with F1 codeAwaiting receipt of timer
prescott, ArizonaF1 code you have fixed this beforeRepaired
prescott, Arizonaoven not working due to F1 codeRepaired
Troy, MichiganThis will be the third timer I have replaced. They seem to last about 2 years or so then one day after we start the bake option, the oven shuts down and trouble code "F1" appears. The range is a very nice unit but I am very dissapointed in the problem. Is there additional advice you can give me to get more time out of these timers? Thanks, JoeRepaired
Zionsville, IndianaPlease send new/reconditioned timer. We will send ours back for you to reuse.Awaiting receipt of timer
Blue Springs, MissouriF1 codeBeyond Repair