Magic Chef 59E5EXW Timer Repair

What is the timer/clock part number for the Magic Chef 59E5EXW Range?

Timer part number 7601P177-60 for Magic Chef 59E5EXW

The 59E5EXW Range uses timer part number 7601P177-60.

Do you have a failed Magic Chef 59E5EXW control panel? Click here:

Request Appliance Timer Service

We can repair or replace your faulty Magic Chef 59E5EXW timer.

59E5EXW are also sometimes referred to using these Alternative Names/Model numbers

Maytag 59E5EXW Range, Whirlpool 59E5EXW Range

59E5EXW Schematic and Wiring Diagrams

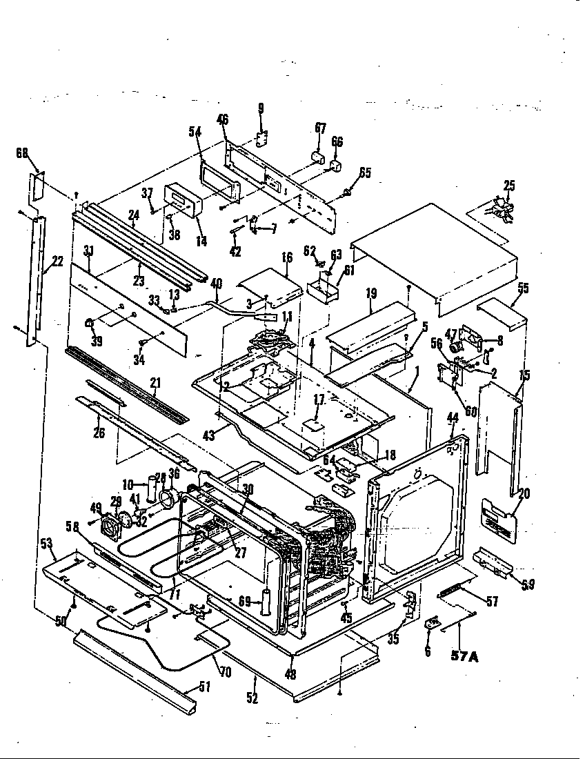
Body Parts diagram
59E5EXW Range Body Parts diagram
Door Parts diagram
59E5EXW Range Door Parts diagram

Common problems for Magic Chef 59E5EXW Timer Repair

Are you encountering a similar problem as them? Contact us now and we will try to help you fix your 59E5EXW timer-related problem.
aptbhms@ccil.orgMy wall oven Model # 59E-5EXW Serial # 7C803324-970 has had its tempored black glass front shatter. I understand this is part No. 7902P120-60. How do I get one and need manual to tell me how to fix same which I feel I can do if I can get an off-set phillips screw driver. Please advise