Magic Chef 3468VVV Timer Repair

3468VVV are also sometimes referred to using these Alternative Names/Model numbers

Maytag 3468VVV Range, Whirlpool 3468VVV Range

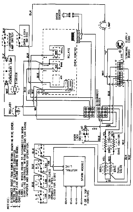
3468VVV Schematic and Wiring Diagrams

Control panel Parts diagram
3468VVV Range Control panel Parts diagram
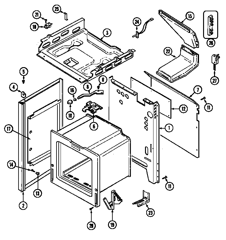
Top assembly Parts diagram
3468VVV Range Top assembly Parts diagram
Body Parts diagram
3468VVV Range Body Parts diagram
Oven/base Parts diagram
3468VVV Range Oven/base Parts diagram
Gas controls Parts diagram
3468VVV Range Gas controls Parts diagram
Door/drawer (3468vv*, 3468xv*) (3468vvd) (3468vvv) (3468xva) (3468xvw) Parts diagram
3468VVV Range Door/drawer (3468vv*, 3468xv*) (3468vvd) (3468vvv) (3468xva) (3468xvw) Parts diagram
Door/drawer (3468vv*, xv* ser. pre.15) (3468vvd) (3468vvv) (3468xva) (3468xvw) Parts diagram
3468VVV Range Door/drawer (3468vv*, xv* ser. pre.15) (3468vvd) (3468vvv) (3468xva) (3468xvw) Parts diagram
Door/drawer (3468xvb) (3468xvb) Parts diagram
3468VVV Range Door/drawer (3468xvb) (3468xvb) Parts diagram
Wiring information Parts diagram
3468VVV Range Wiring information Parts diagram

Recent Service Requests

CityProblem DescriptionResolution
Kamloops, British ColumbiaOven will not ignite; had repairperson check all other issues; he said it is the control board and he can't fix it.Repaired

Common problems for Magic Chef 3468VVV Timer Repair

Are you encountering a similar problem as them? Contact us now and we will try to help you fix your 3468VVV timer-related problem.
So I bought a dryer from a friend and the dryer is plugged in, the light is on in the dryer and you can hear the clock but it wont start. I'm completely confused and have a lot of laundry to do.
magic chef gas range model # 3468vvv making clicking noise
no problem ... just want to know if my Magic Chef 3468VVV (has worked like a charm for 14 years) can also be hooked up to Propane ?
Magic Chef Oven, Model 33468VVV, 1995, I smell gas in oven I have a 1995 Magic Chef Oven, model 3468VVV. When I use the oven I often smell gas. When I use the burners on the range top I do not smell gas. So it is only when using the oven? Do you have a suggestion as to how I can fix this?Thanks,Chuck
oven top burners are ok, broiler will lite & works fine. however, when choosing the bake setting the following happens; ignighter will glow and temp increases very s-l-o-w-l-y with a moderate smell of gas. No flames from burner. Temp change from 75 to 110 degrees takes 15-20 minutes. Any ideas?
I have a Frigidaire heavy duty model 336res1. there are 3 drying cycles, Hi, timed- low,timed- and medium(more dry, less dry). The Medium(more dry, less dry) cycle never counts down. It would run for days if we didn't stop it. Everything else works fine. Is this just a simple matter of a bad clock, or are we not using the more/less cycle correctly.
We have a 13 year old GE smooth top electric oven. Last week the bake element stopped working. Everything else still works- the broil element, the burners, the clock, the clock. We bought a new bake element and it still doesn't work. If you turn the oven to bake, the bake element stays cold and the broil element cycles on and off like normal, but it takes almost an hour to reach 350 degrees. The broil function works- just the broil element. If you do the self clean feature, the broil element comes on, but the bake element doesn't. My dad came over and tested the old and new bake elements and they both work. When he opened the back of the range and tested the connections, the broil element connection was 240 volts, but the bake element connection had nothing. On the clock/circuit board, he swapped the bake and broil wires and then the bake element would heat if the oven was turned to broil. Is replacing the clock/circuit board what we need to do or is there the possibility that somethin
When I turn on my oven it is not heating up. The 4 top burners are still working. I have changed the fuses. I did clean the oven 2 days ago and accidentally hit one of the 3 clock things (clocks?) setting one off. I think this is the problem, I just don't know how to reset them to make my oven work. How do I reset the clocks/ clocks?
Where is the thermal coupling located for the oven burner in a self cleaning door lock appliance. The gas does not come on The pilot. lights and burns the broiler gas comes on What do I have to do to fix this issue Thank you Dick
I have a Magic Chef free-standing gas oven, Model 3468VVV bought in January 1996. How do I remove the control panel and its side supports so that I can clean off the smoke stains from the white surfaces of the control panel?
Sometimes lately when turning on my Magic Chef (3468VVV) gas oven, I''ll hear a "whomp" when the gas ignites and then it heats very slowly and the gas sounds like it''s "fluttering" -- what the problem?
Hello, I have a Magic Chef gas oven, model 3468VVV. When first heating the oven, the ignition coil glows, then the solenoid valve opens. It takes about 30 seconds to a minute for the gas to ignite, and by then the oven has filled with gas and the explosion partially blows the door open. Could it be that the valve is not letting enough gas out? I also notice when the flame is on that it constantly changes from large to small. It has been doing this for quite sometime now. Any suggestions? Thanks. Roger
I have a Magic Chef 3468VVV. Oven won't light. Got a replacement glow plug. Have the oven floor out, but can't figure out how to proceed. Looks hard to stuff connector block through small hole in back behind burner assembly. Do I have to get into the area behind the oven through some kind of access panel?
I have a Magic Chef gas oven, model # XXXXX When I lite the oven it lites intermittently & makes a "puff puff" sound as the burner lites then goes out. I removed the drip pan cheked the burner out the flame is blue a the brief intervals whenit is on. Any ideas Mike XXX-XXX-XXXX