Tappan Range - Gas 3039910003 Timer Repair

What is the timer/clock part number for the Tappan 3039910003 Range - Gas?

Timer part number 5303269513 for Tappan 3039910003

The 3039910003 Range - Gas uses timer part number 5303269513.

Do you have a failed Tappan 3039910003 control panel? Click here:

Request Appliance Timer Service

We can repair or replace your faulty Tappan 3039910003 timer.

3039910003 are also sometimes referred to using these Alternative Names/Model numbers

Electrolux 3039910003 Range - Gas, 5995221719

3039910003 Schematic and Wiring Diagrams

Cover page Parts diagram
3039910003 Range - Gas Cover page Parts diagram
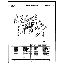
Backguard Parts diagram
3039910003 Range - Gas Backguard Parts diagram
Cooktop Parts diagram
3039910003 Range - Gas Cooktop Parts diagram
Drawer Parts diagram
3039910003 Range - Gas Drawer Parts diagram
Door Parts diagram
3039910003 Range - Gas Door Parts diagram
Burner, manifold and gas control Parts diagram
3039910003 Range - Gas Burner, manifold and gas control Parts diagram
Body Parts diagram
3039910003 Range - Gas Body Parts diagram
Burner Parts diagram
3039910003 Range - Gas Burner Parts diagram